简体
繁体
一网
搜
热门搜索:
首 页
首 页
资讯中心
政府领导
政府信息公开
政务服务
互动交流
解读回应
魅力徽州
数据发布
政务新媒体
当前位置:
首页
> 政府信息公开 > 徽州区政府办
>
重大建设项目批准和实施
>
项目全生命周期公开
>
2020年
>
黄山市徽州区杨村乡梅川至长镇公路一期工程(牌坊坞至梅川段)
>
竣工信息
索
引
号:
003147534/202012-00100
信息分类:
竣工信息
主题分类:
其他
发文日期:
发布机构:
徽州区政府办
发布日期:
2020-12-21
生效日期:
有效
废止日期:
发布文号:
关
键
词:
内容概述:
有
效
性:
有效
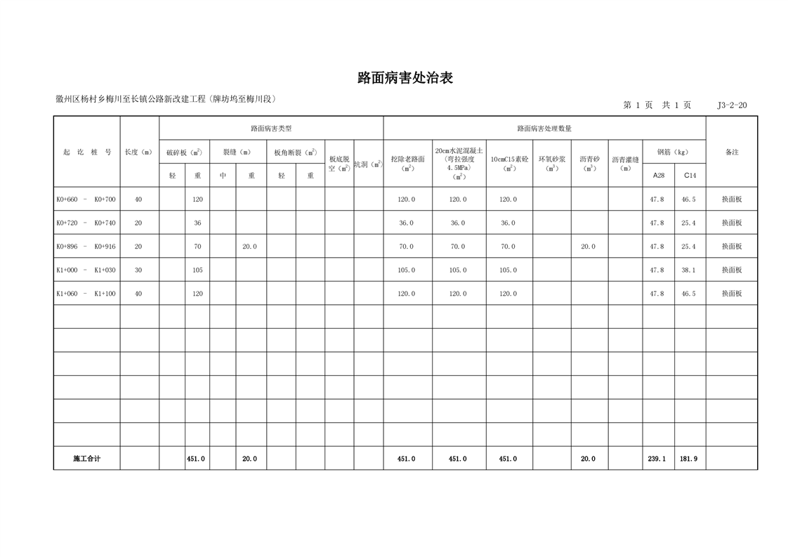
徽州区杨村乡梅川至长镇公路一期工程(牌坊坞-梅川段)竣工图
作者:杨村乡政府
发布时间:2020-12-21 11:21
信息来源:杨村乡人民政府
阅读次数:
次
字号:
大
中
小
文本下载
我要纠错
打印
收藏
扫一扫在手机打开当前页
智能问答
电子政务
平台
政务微信
政务微博
分享